

GIQ?????????? ?????????????????
???????????? GIQ ???????????? ???????????????????????????????????????????·???????????????????????е?????????г????????????????????????????????????????ж?????·????????????????????????????????????????...
- ???????
????????????
GIQ???????????????????????????????????????????????????????·???????????????????????е?????????г????????????????????????????????????????ж?????·???????????????????????????????????????????????????????ú??????(?????λ)?????????????????ü??????????λ???????????????????????????????塣
?????????????
|
???÷?Χ(Pa)
|
2x105??1.3x10-5
|
|
???????(Pa.L/S)
|
≤1.3x10-6
|
|
?????????棩
|
-25??+80(?????????????)-30??+150(???????????) |
|
????????MPa??
|
0.4??0.6
|
|
???????
|
GB/T6070
|
|
???λ??
|
????
|
|
?????·
|
?????????AC220V/50Hz?????????AC110V??DC24V??DC12V?? |
|
??????
|
???????????λ???????????????????????????4??20mA DC
|
|
??????
|
??????????????????????????????????е??????????????????
|
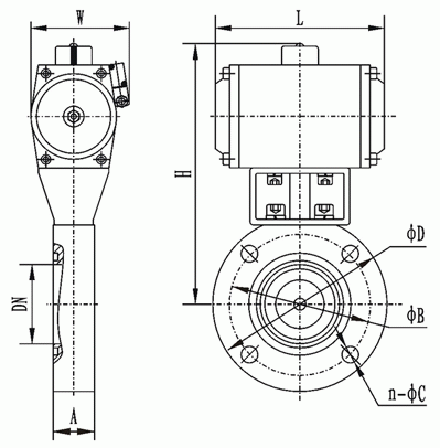
????????????

????????磺
|
???
|
???(DN)
|
ΦD
|
ΦB
|
H
|
A
|
L
|
W
|
n-ΦC
|
|
GIQ-50
|
50
|
110
|
90
|
206
|
26
|
164
|
105
|
4-Φ9
|
|
GIQ-63
|
63
|
130
|
110
|
217
|
32
|
|||
|
GIQ-80
|
80
|
145
|
125
|
247
|
190
|
124
|
8-Φ9
|
|
|
GIQ-100
|
100
|
165
|
145
|
257
|
8-Φ12
|
|||
|
GIQ-125
|
125
|
200
|
175
|
273
|
35
|
|||
|
GIQ-150
|
150
|
225
|
200
|
334
|
247
|
140
|
||
|
GIQ-200
|
200
|
285
|
260
|
391
|
45
|
302
|
165
|
12-Φ11
|
|
GIQ-250
|
250
|
335
|
310
|
467
|
50
|
372
|
198
|
|
|
GIQ-300
|
300
|
425
|
395
|
557
|
55
|
432
|
225
|
12-Φ14
|
|
GIQ-400
|
400
|
510
|
480
|
640
|
60
|
518
|
243
|
16-Φ14
|
|
GIQ-600
|
600
|
710
|
670
|
892
|
100
|
780
|
408
|
12-Φ21
|








-

??????????
D671X???????????? ??? ???????????? ??? ??1????????????????????????...
-

GID-50?綯??????
GID-50~400?綯?????? ????????????: GID-50~400?綯?????? : ??????????????...
-

D671F-10P???????????????? ????????ζ?з???
*** ?????? ??????? 50cm ???? 480?? ???????????? ?? ?????? ?? ?????? DN5...
-

Play ?綯???????????? ??????????????????????
*** ?????? ??????? 25cm ???? 300?? ???????????? ?? ?????? ?? ?????? DN2...


